shop-logo

Eff-Alfa-Glass-Lock

活動式玻璃擱板

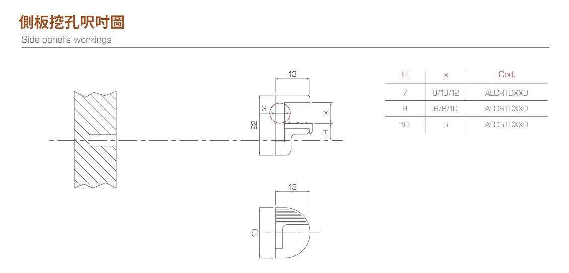
Alfa Glass Lock 活動式玻璃層板擱板五金材質為鋅合金及橡膠墊片組合,適用於玻璃厚度5~12mm。

表面為鍍銀處理,具有高質感外觀, 五金由兩個部份組成,能自由地鎖定或解鎖裝置。